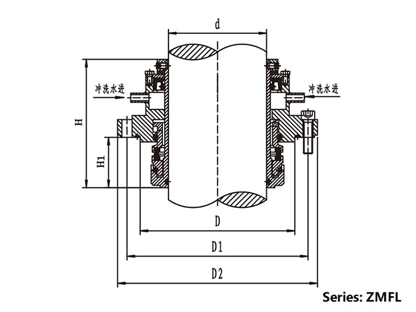
Applications Our Balanced Single Cartridge Seal can be used to seal any vertical axial flow pump and reactor, agitator, mixer working in chemistry, paper making and other industries. Operating Parameters l Medium: Fluids with high impurity content such as salt slurry, lime slurry, pulp, sewage, etc. l Pressure: ≤2.5Mpa l Temperature: ≤130℃ l Solid content: ≤30 % l Shaft diameter: 32mm to 150mm Features l Balanced single cartridge mechanical seal l Independent of rotating direction l Stationary compensated ring l Non-contact spring l Conformity to ISO 3069, DIN 24960 and GB/T6556 standards l Cooling water pressure: ≤0.05-0.1MPa
A Picture Interactive Platform For Global Opportunities
Copyrights © 2026 ajinhetec.com All Rights.Reserved .

